轴承专区
Bearings Center
NNU 6026 V轴承-SKF NNU 6026 V轴承尺寸、图纸、价格
SKF NNU 6026 V轴承
| 产品名称: | NNU 6026 V轴承 | 品牌: | SKF |
|---|---|---|---|
| 类型: | SKF轴承 > 滚动轴承 > 圆柱滚子轴承 | ||
| 描述: | NNU 6026 V轴承是【SKF轴承 > 滚动轴承 > 圆柱滚子轴承】的型号,主要用在内燃机、空气压缩机、桥式起重机、大型农业机械、造纸机械、耕耘机、挤压机、电子、平地机、数控设备等各大领域 | ||
电话/微信:138-8949-5179
SKF NNU 6026 V轴承详细信息
NNU 6026 V轴承是【SKF轴承 > 滚动轴承 > 圆柱滚子轴承】的型号,主要用在内燃机、空气压缩机、桥式起重机、大型农业机械、造纸机械、耕耘机、挤压机、电子、平地机、数控设备等各大领域。
SKF NNU 6026 V轴承详细参数
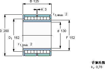
| 圆柱滚子轴承, 多列满装滚子 | ||||||||||
| 主要数据尺寸 | 基本负荷额定值 | 疲劳负荷限值 | 额定速度 | 体积 | 型号 | |||||
| 动态 | 静态 | 参照速度 | 限制速度 | |||||||
| d | D | B | C | C0 | Pu | |||||
| mm | kN | kN | r/min | kg | - | |||||
| 130 | 200 | 125 | 842 | 2160 | 250 | 480 | 560 | 16,0 | NNU 6026 V | |
SKF NNU 6026 V轴承尺寸图纸

