轴承专区
Bearings Center
NKIB 5908轴承-SKF NKIB 5908轴承尺寸、图纸、价格
SKF NKIB 5908轴承
| 产品名称: | NKIB 5908轴承 | 品牌: | SKF |
|---|---|---|---|
| 类型: | SKF轴承 > 滚动轴承 > 组合滚针轴承 | ||
| 描述: | NKIB 5908轴承是【SKF轴承 > 滚动轴承 > 组合滚针轴承】的型号,主要用在变速器、罗茨鼓风机、汽车发动机、建筑机械、减速装置、石油钻机转环、立式电动机、啤酒、轻工机械、正面吊等各大领域 | ||
电话/微信:138-8949-5179
SKF NKIB 5908轴承详细信息
NKIB 5908轴承是【SKF轴承 > 滚动轴承 > 组合滚针轴承】的型号,主要用在变速器、罗茨鼓风机、汽车发动机、建筑机械、减速装置、石油钻机转环、立式电动机、啤酒、轻工机械、正面吊等各大领域。
SKF NKIB 5908轴承详细参数
| 组合式滚针轴承, 滚针/角接触球轴承, 轴向负荷 双向 | |||||||||||||
| 主要数据尺寸 | 基本负荷额定值 | 疲劳负荷限值 | 额定速度 | 体积 | 型号 | ||||||||
| 径向 | 轴向 | 参照速度 | 限制速度 | ||||||||||
| 动态 | 静态 | 动态 | 静态 | 径向 | 轴向 | ||||||||
| d | D | B | C | C0 | C | C0 | Pu | Pu | |||||
| mm | kN | kN | r/min | kg | - | ||||||||
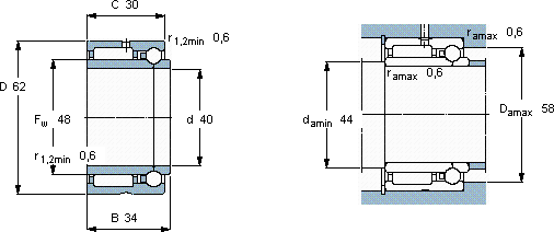
| 40 | 62 | 34 | 42,9 | 71 | 7,17 | 10,9 | 8,8 | 0,467 | 8000 | 9500 | 0,32 | NKIB 5908 | |
SKF NKIB 5908轴承尺寸图纸

