轴承专区
Bearings Center
NKIB 5903轴承-SKF NKIB 5903轴承尺寸、图纸、价格
SKF NKIB 5903轴承
| 产品名称: | NKIB 5903轴承 | 品牌: | SKF |
|---|---|---|---|
| 类型: | SKF轴承 > 滚动轴承 > 组合滚针轴承 | ||
| 描述: | NKIB 5903轴承是【SKF轴承 > 滚动轴承 > 组合滚针轴承】的型号,主要用在通用电动机、罗茨鼓风机、变速器、建筑机械、各类产业用减速机、制铁制钢机械、轧钢机轧制螺杆用减速机、精细化工机械、堆取料机、机场加油机等各大领域 | ||
电话/微信:138-8949-5179
SKF NKIB 5903轴承详细信息
NKIB 5903轴承是【SKF轴承 > 滚动轴承 > 组合滚针轴承】的型号,主要用在通用电动机、罗茨鼓风机、变速器、建筑机械、各类产业用减速机、制铁制钢机械、轧钢机轧制螺杆用减速机、精细化工机械、堆取料机、机场加油机等各大领域。
SKF NKIB 5903轴承详细参数
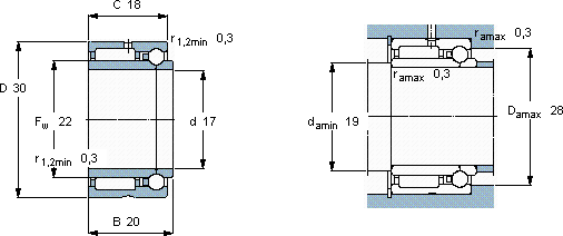
| 组合式滚针轴承, 滚针/角接触球轴承, 轴向负荷 双向 | |||||||||||||
| 主要数据尺寸 | 基本负荷额定值 | 疲劳负荷限值 | 额定速度 | 体积 | 型号 | ||||||||
| 径向 | 轴向 | 参照速度 | 限制速度 | ||||||||||
| 动态 | 静态 | 动态 | 静态 | 径向 | 轴向 | ||||||||
| d | D | B | C | C0 | C | C0 | Pu | Pu | |||||
| mm | kN | kN | r/min | kg | - | ||||||||
| 17 | 30 | 20 | 11,7 | 17 | 2,24 | 2,74 | 1,96 | 0,116 | 18000 | 20000 | 0,058 | NKIB 5903 | |
SKF NKIB 5903轴承尺寸图纸

