李工:138-8949-5179 刘工:135-0428-8802
型号查询
轴承型号   常见搜索: 6906轴承 *轴承 6008轴承 688a轴承 6030轴承 6024轴承
型号查询 X

轴承专区

Bearings Center

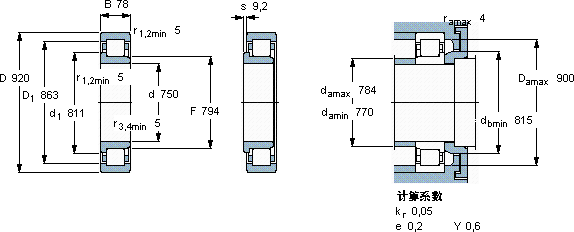
NJ 18/750 MA轴承-SKF NJ 18/750 MA轴承尺寸、图纸、价格

SKF NJ 18/750 MA轴承

产品名称:NJ 18/750 MA轴承 品牌:SKF
类型:SKF轴承 > 滚动轴承 > 圆柱滚子轴承
描述:NJ 18/750 MA轴承是【SKF轴承 > 滚动轴承 > 圆柱滚子轴承】的型号,主要用在内燃机、小型汽车前轮、泵、差速器、木工机械、耕耘机、挤压机、电子、地基处理机械、码垛机器人等各大领域

 电话/微信:138-8949-5179

SKF NJ 18/750 MA轴承详细信息

NJ 18/750 MA轴承是【SKF轴承 > 滚动轴承 > 圆柱滚子轴承】的型号,主要用在内燃机、小型汽车前轮、泵、差速器、木工机械、耕耘机、挤压机、电子、地基处理机械、码垛机器人等各大领域。

SKF NJ 18/750 MA轴承详细参数

圆柱滚子轴承, 单列, NJ 设计
主要数据尺寸基本负荷额定值疲劳负荷限值额定速度体积型号适宜的斜挡圈
动态静态参照速度限制速度型号
dDBCC0Pu
mmkNkNr/minkg--
7509207814703450228600800115NJ 18/750 MA-

SKF NJ 18/750 MA轴承尺寸图纸

李工:138-8949-5179

刘工:135-0428-8802

地址:辽宁省大连经济技术开发区现代城3栋-13-13号

在线客服系统