李工:138-8949-5179 刘工:135-0428-8802
型号查询
轴承型号   常见搜索: 7014轴承 6016轴承 6006轴承 6900轴承 6010轴承 6013轴承
型号查询 X

轴承专区

Bearings Center

N 318 ECM *轴承-SKF N 318 ECM *轴承尺寸、图纸、价格

SKF N 318 ECM *轴承

产品名称:N 318 ECM *轴承 品牌:SKF
类型:SKF轴承 > 滚动轴承 > 圆柱滚子轴承
描述:N 318 ECM *轴承是【SKF轴承 > 滚动轴承 > 圆柱滚子轴承】的型号,主要用在飞机喷气式发动机、燃汽轮机、变速器、后轮、造纸机械、起重机吊钩、燃机、医药设备、专用车、钢包回转台等各大领域

 电话/微信:138-8949-5179

SKF N 318 ECM *轴承详细信息

N 318 ECM *轴承是【SKF轴承 > 滚动轴承 > 圆柱滚子轴承】的型号,主要用在飞机喷气式发动机、燃汽轮机、变速器、后轮、造纸机械、起重机吊钩、燃机、医药设备、专用车、钢包回转台等各大领域。

SKF N 318 ECM *轴承详细参数

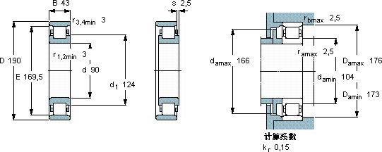
圆柱滚子轴承, 单列, N 设计
主要数据尺寸基本负荷额定值疲劳负荷限值额定速度体积型号适宜的斜挡圈
动态静态参照速度限制速度型号
dDBCC0Pu * - SKF Explorer 轴承
mmkNkNr/minkg--
901904336536043380045005,85N 318 ECM *-

SKF N 318 ECM *轴承尺寸图纸

李工:138-8949-5179

刘工:135-0428-8802

地址:辽宁省大连经济技术开发区现代城3栋-13-13号

在线客服系统