轴承专区
Bearings Center
KMTA 30轴承-SKF KMTA 30轴承尺寸、图纸、价格
SKF KMTA 30轴承
| 产品名称: | KMTA 30轴承 | 品牌: | SKF |
|---|---|---|---|
| 类型: | SKF轴承 > 滚动轴承 > 轴承附件 | ||
| 描述: | KMTA 30轴承是【SKF轴承 > 滚动轴承 > 轴承附件】的型号,主要用在后轮、燃汽轮机、发电机、后轮、振动筛、起重机吊钩、水力发电机、烟草机械、专用车、焊接机器人等各大领域 | ||
电话/微信:138-8949-5179
SKF KMTA 30轴承详细信息
KMTA 30轴承是【SKF轴承 > 滚动轴承 > 轴承附件】的型号,主要用在后轮、燃汽轮机、发电机、后轮、振动筛、起重机吊钩、水力发电机、烟草机械、专用车、焊接机器人等各大领域。
SKF KMTA 30轴承详细参数
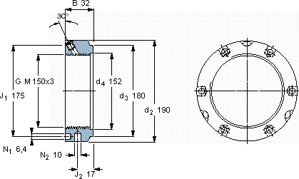
| 带锁紧销的KMTA精密锁紧定螺母 | ||||||||||
| 螺纹尺寸 | 尺寸 | 轴向负荷 | 体积 | 型号 | 平头螺钉 | |||||
| 承载能力 | 锁定螺母 | 适宜的板手 | 尺寸 | 推荐的紧固扭矩 | ||||||
| d3 | B | G | 静态 | |||||||
| - | mm | - | kN | kg | - | - | - | Nm | ||
| 150 | 180 | 32 | M 150x3 | 1040 | 2,60 | KMTA 30 | B 180-195 | M 10 | 35 | |
SKF KMTA 30轴承尺寸图纸

