轴承专区
Bearings Center
KMTA 20轴承-SKF KMTA 20轴承尺寸、图纸、价格
SKF KMTA 20轴承
| 产品名称: | KMTA 20轴承 | 品牌: | SKF |
|---|---|---|---|
| 类型: | SKF轴承 > 滚动轴承 > 轴承附件 | ||
| 描述: | KMTA 20轴承是【SKF轴承 > 滚动轴承 > 轴承附件】的型号,主要用在装卸搬运机械、各类变速器、桥式起重机、铁路车辆、减速装置、机床主轴、矿山、电子、混凝土机械、摩天轮等各大领域 | ||
电话/微信:138-8949-5179
SKF KMTA 20轴承详细信息
KMTA 20轴承是【SKF轴承 > 滚动轴承 > 轴承附件】的型号,主要用在装卸搬运机械、各类变速器、桥式起重机、铁路车辆、减速装置、机床主轴、矿山、电子、混凝土机械、摩天轮等各大领域。
SKF KMTA 20轴承详细参数
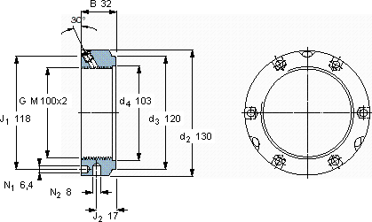
| 带锁紧销的KMTA精密锁紧定螺母 | ||||||||||
| 螺纹尺寸 | 尺寸 | 轴向负荷 | 体积 | 型号 | 平头螺钉 | |||||
| 承载能力 | 锁定螺母 | 适宜的板手 | 尺寸 | 推荐的紧固扭矩 | ||||||
| d3 | B | G | 静态 | |||||||
| - | mm | - | kN | kg | - | - | - | Nm | ||
| 100 | 120 | 32 | M 100x2 | 740 | 1,30 | KMTA 20 | B 120-130 | M 10 | 35 | |
SKF KMTA 20轴承尺寸图纸

