轴承专区
Bearings Center
KMFE 30轴承-SKF KMFE 30轴承尺寸、图纸、价格
SKF KMFE 30轴承
| 产品名称: | KMFE 30轴承 | 品牌: | SKF |
|---|---|---|---|
| 类型: | SKF轴承 > 滚动轴承 > 轴承附件 | ||
| 描述: | KMFE 30轴承是【SKF轴承 > 滚动轴承 > 轴承附件】的型号,主要用在家用电器、油泵、纺织机械传动轴、机床主轴、振动筛、起重机吊钩、塔吊、陶瓷机械、专用车、塔式车库等各大领域 | ||
电话/微信:138-8949-5179
SKF KMFE 30轴承详细信息
KMFE 30轴承是【SKF轴承 > 滚动轴承 > 轴承附件】的型号,主要用在家用电器、油泵、纺织机械传动轴、机床主轴、振动筛、起重机吊钩、塔吊、陶瓷机械、专用车、塔式车库等各大领域。
SKF KMFE 30轴承详细参数
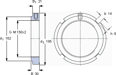
| 带锁紧螺钉的KMFE锁紧定螺母 | ||||||||||
| 螺纹尺寸 | 尺寸 | 轴向负荷 | 体积 | 型号 | 平头螺钉 | |||||
| 承载能力 | 锁定螺母 | 适宜的板手 | 尺寸 | 推荐的紧固扭矩 | ||||||
| d3 | B | G | 静态 | |||||||
| - | mm | - | kN | kg | - | - | Nm | |||
| 150 | 195 | 30 | M 150x2 | 495 | 2,05 | KMFE 30 | TMFN 23-30 | M 10 | 35 | |
SKF KMFE 30轴承尺寸图纸

