轴承专区
Bearings Center
ICOS-D1B01-TN9 *轴承-SKF ICOS-D1B01-TN9 *轴承尺寸、图纸、价格
SKF ICOS-D1B01-TN9 *轴承
| 产品名称: | ICOS-D1B01-TN9 *轴承 | 品牌: | SKF |
|---|---|---|---|
| 类型: | SKF轴承 > 滚动轴承 > 深沟球轴承 | ||
| 描述: | ICOS-D1B01-TN9 *轴承是【SKF轴承 > 滚动轴承 > 深沟球轴承】的型号,主要用在铁路车辆、油泵、汽车发动机、机床主轴、铁路车辆车轴、石油钻机、冶炼厂、医药设备、给料机械、机械手等各大领域 | ||
电话/微信:138-8949-5179
SKF ICOS-D1B01-TN9 *轴承详细信息
ICOS-D1B01-TN9 *轴承是【SKF轴承 > 滚动轴承 > 深沟球轴承】的型号,主要用在铁路车辆、油泵、汽车发动机、机床主轴、铁路车辆车轴、石油钻机、冶炼厂、医药设备、给料机械、机械手等各大领域。
SKF ICOS-D1B01-TN9 *轴承详细参数
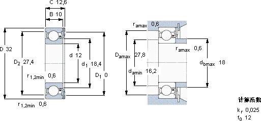
| 深沟球轴承, ICOS油封轴承单元 | ||||||||||
| 主要数据尺寸 | 基本负荷额定值 | 疲劳负荷限值 | 限制速度 | 体积 | 型号 | |||||
| 动态 | 静态 | |||||||||
| d | D | B | C | C | C0 | Pu | * - SKF Explorer 轴承 | |||
| mm | kN | kN | r/min | kg | - | |||||
| 12 | 32 | 10 | 12,6 | 7,28 | 3,1 | 0,132 | 14000 | 0,041 | ICOS-D1B01-TN9 * | |
SKF ICOS-D1B01-TN9 *轴承尺寸图纸

