轴承专区
Bearings Center
HMVC 96E轴承-SKF HMVC 96E轴承尺寸、图纸、价格
SKF HMVC 96E轴承
| 产品名称: | HMVC 96E轴承 | 品牌: | SKF |
|---|---|---|---|
| 类型: | SKF轴承 > 滚动轴承 > 轴承附件 | ||
| 描述: | HMVC 96E轴承是【SKF轴承 > 滚动轴承 > 轴承附件】的型号,主要用在家用电器、空气压缩机、纺织机械传动轴、大型农业机械、木工机械、耕耘机、塔吊、烟草机械、平地机、雷达等各大领域 | ||
电话/微信:138-8949-5179
SKF HMVC 96E轴承详细信息
HMVC 96E轴承是【SKF轴承 > 滚动轴承 > 轴承附件】的型号,主要用在家用电器、空气压缩机、纺织机械传动轴、大型农业机械、木工机械、耕耘机、塔吊、烟草机械、平地机、雷达等各大领域。
SKF HMVC 96E轴承详细参数
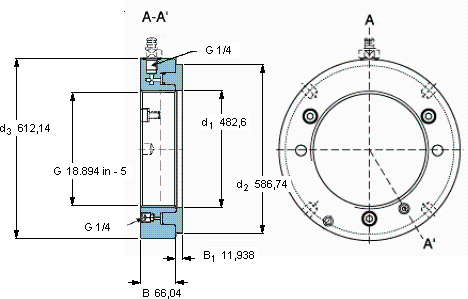
| Hydraulic nuts, inch sizes | ||||||||||||
| 螺纹尺寸 | 尺寸 | Permitted | Piston area | 体积 | 型号 | |||||||
| piston | ||||||||||||
| G | d1 | d2 | d3 | B | B1 | displacement | ||||||
| mm | mm (metric sizes) | mm | mm | mm2 (metric sizes) | kg | - | ||||||
| in - threads/in (inch sizes) | in2 (inch sizes) | |||||||||||
| 476,86 | 18.894 in - 5 | 482,6 | 586,74 | 612,14 | 66,04 | 11,938 | 19,05 | 75,3 | 139 | HMVC 96E | - | |
SKF HMVC 96E轴承尺寸图纸

