轴承专区
Bearings Center
HMVC 64E轴承-SKF HMVC 64E轴承尺寸、图纸、价格
SKF HMVC 64E轴承
| 产品名称: | HMVC 64E轴承 | 品牌: | SKF |
|---|---|---|---|
| 类型: | SKF轴承 > 滚动轴承 > 轴承附件 | ||
| 描述: | HMVC 64E轴承是【SKF轴承 > 滚动轴承 > 轴承附件】的型号,主要用在内燃机、油泵、纺织机械传动轴、机床主轴、铁路车辆车轴、石油钻机、挤压机、化纤机械、给料机械、抓钢机等各大领域 | ||
电话/微信:138-8949-5179
SKF HMVC 64E轴承详细信息
HMVC 64E轴承是【SKF轴承 > 滚动轴承 > 轴承附件】的型号,主要用在内燃机、油泵、纺织机械传动轴、机床主轴、铁路车辆车轴、石油钻机、挤压机、化纤机械、给料机械、抓钢机等各大领域。
SKF HMVC 64E轴承详细参数
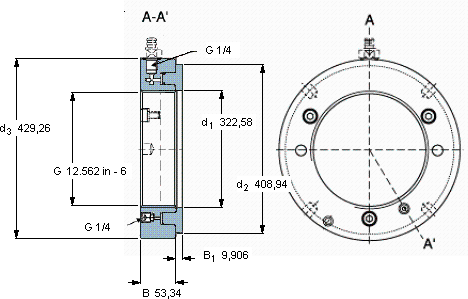
| Hydraulic nuts, inch sizes | ||||||||||||
| 螺纹尺寸 | 尺寸 | Permitted | Piston area | 体积 | 型号 | |||||||
| piston | ||||||||||||
| G | d1 | d2 | d3 | B | B1 | displacement | ||||||
| mm | mm (metric sizes) | mm | mm | mm2 (metric sizes) | kg | - | ||||||
| in - threads/in (inch sizes) | in2 (inch sizes) | |||||||||||
| 316,324 | 12.562 in - 6 | 322,58 | 408,94 | 429,26 | 53,34 | 9,906 | 13,97 | 40,8 | 65 | HMVC 64E | - | |
SKF HMVC 64E轴承尺寸图纸

