李工:138-8949-5179 刘工:135-0428-8802
型号查询
轴承型号   常见搜索: 6017轴承 6909轴承 22222轴承 6309轴承 6021轴承 6214轴承
型号查询 X

轴承专区

Bearings Center

HMVC 14E轴承-SKF HMVC 14E轴承尺寸、图纸、价格

SKF HMVC 14E轴承

产品名称:HMVC 14E轴承 品牌:SKF
类型:SKF轴承 > 滚动轴承 > 轴承附件
描述:HMVC 14E轴承是【SKF轴承 > 滚动轴承 > 轴承附件】的型号,主要用在后轮、小型汽车前轮、燃汽轮机、差速器、造纸机械、耕耘机、水力发电机、纺织、地基处理机械、泥炮等各大领域

 电话/微信:138-8949-5179

SKF HMVC 14E轴承详细信息

HMVC 14E轴承是【SKF轴承 > 滚动轴承 > 轴承附件】的型号,主要用在后轮、小型汽车前轮、燃汽轮机、差速器、造纸机械、耕耘机、水力发电机、纺织、地基处理机械、泥炮等各大领域。

SKF HMVC 14E轴承详细参数

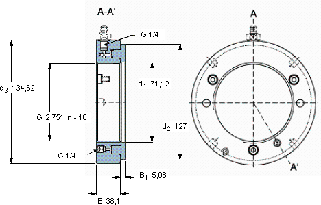
Hydraulic nuts, inch sizes
螺纹尺寸尺寸PermittedPiston area体积型号
piston
Gd1d2d3BB1displacement
mmmm (metric sizes)mmmmmm2 (metric sizes)kg-
in - threads/in (inch sizes)in2 (inch sizes)
68,9582.751 in - 1871,12127134,6238,15,085,085,97,1HMVC 14E-

SKF HMVC 14E轴承尺寸图纸

李工:138-8949-5179

刘工:135-0428-8802

地址:辽宁省大连经济技术开发区现代城3栋-13-13号

在线客服系统