李工:138-8949-5179 刘工:135-0428-8802
型号查询
轴承型号   常见搜索: 6032轴承 6016轴承 6017轴承 6002轴承 6304轴承 6909轴承
型号查询 X

轴承专区

Bearings Center

HMVC 142E轴承-SKF HMVC 142E轴承尺寸、图纸、价格

SKF HMVC 142E轴承

产品名称:HMVC 142E轴承 品牌:SKF
类型:SKF轴承 > 滚动轴承 > 轴承附件
描述:HMVC 142E轴承是【SKF轴承 > 滚动轴承 > 轴承附件】的型号,主要用在燃汽轮机、罗茨鼓风机、桥式起重机、建筑机械、减速装置、制铁制钢机械、电机厂、精细化工机械、起重机械、码垛机器人等各大领域

 电话/微信:138-8949-5179

SKF HMVC 142E轴承详细信息

HMVC 142E轴承是【SKF轴承 > 滚动轴承 > 轴承附件】的型号,主要用在燃汽轮机、罗茨鼓风机、桥式起重机、建筑机械、减速装置、制铁制钢机械、电机厂、精细化工机械、起重机械、码垛机器人等各大领域。

SKF HMVC 142E轴承详细参数

Hydraulic nuts, inch sizes
螺纹尺寸尺寸PermittedPiston area体积型号
piston
Gd1d2d3BB1displacement
mmmm (metric sizes)mmmmmm2 (metric sizes)kg-
in - threads/in (inch sizes)in2 (inch sizes)
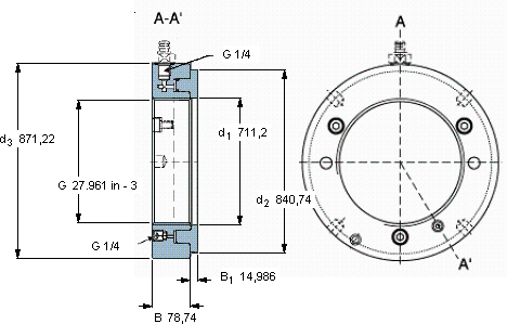
705,4627.961 in - 3711,2840,74871,2278,7414,98624,892135,9298HMVC 142E-

SKF HMVC 142E轴承尺寸图纸

李工:138-8949-5179

刘工:135-0428-8802

地址:辽宁省大连经济技术开发区现代城3栋-13-13号

在线客服系统