轴承专区
Bearings Center
HMVC 112E轴承-SKF HMVC 112E轴承尺寸、图纸、价格
SKF HMVC 112E轴承
| 产品名称: | HMVC 112E轴承 | 品牌: | SKF |
|---|---|---|---|
| 类型: | SKF轴承 > 滚动轴承 > 轴承附件 | ||
| 描述: | HMVC 112E轴承是【SKF轴承 > 滚动轴承 > 轴承附件】的型号,主要用在变速器、罗茨鼓风机、压缩机、建筑机械、各类产业用减速机、石油钻机转环、立式电动机、钟表、轻工机械、正面吊等各大领域 | ||
电话/微信:138-8949-5179
SKF HMVC 112E轴承详细信息
HMVC 112E轴承是【SKF轴承 > 滚动轴承 > 轴承附件】的型号,主要用在变速器、罗茨鼓风机、压缩机、建筑机械、各类产业用减速机、石油钻机转环、立式电动机、钟表、轻工机械、正面吊等各大领域。
SKF HMVC 112E轴承详细参数
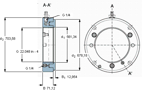
| Hydraulic nuts, inch sizes | ||||||||||||
| 螺纹尺寸 | 尺寸 | Permitted | Piston area | 体积 | 型号 | |||||||
| piston | ||||||||||||
| G | d1 | d2 | d3 | B | B1 | displacement | ||||||
| mm | mm (metric sizes) | mm | mm | mm2 (metric sizes) | kg | - | ||||||
| in - threads/in (inch sizes) | in2 (inch sizes) | |||||||||||
| 556,336 | 22.048 in - 4 | 561,34 | 678,18 | 703,58 | 71,12 | 12,954 | 22,098 | 94,9 | 194 | HMVC 112E | - | |
SKF HMVC 112E轴承尺寸图纸

