轴承专区
Bearings Center
HMV 48E轴承-SKF HMV 48E轴承尺寸、图纸、价格
SKF HMV 48E轴承
| 产品名称: | HMV 48E轴承 | 品牌: | SKF |
|---|---|---|---|
| 类型: | SKF轴承 > 滚动轴承 > 轴承附件 | ||
| 描述: | HMV 48E轴承是【SKF轴承 > 滚动轴承 > 轴承附件】的型号,主要用在装卸搬运机械、罗茨鼓风机、发电机、建筑机械、减速装置、石油钻机转环、矿山、纺织、轻工机械、伽玛等各大领域 | ||
电话/微信:138-8949-5179
SKF HMV 48E轴承详细信息
HMV 48E轴承是【SKF轴承 > 滚动轴承 > 轴承附件】的型号,主要用在装卸搬运机械、罗茨鼓风机、发电机、建筑机械、减速装置、石油钻机转环、矿山、纺织、轻工机械、伽玛等各大领域。
SKF HMV 48E轴承详细参数
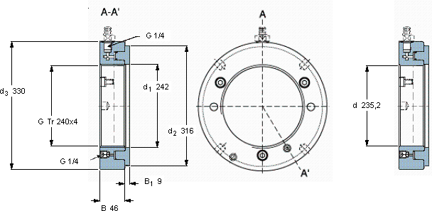
| Hydraulic nuts, metric sizes | ||||||||||||
| 螺纹尺寸 | 尺寸 | Permitted | Piston area | 体积 | 型号 | |||||||
| piston | ||||||||||||
| G | d1 | d2 | d3 | B | B1 | displacement | ||||||
| mm | mm (metric sizes) | mm | mm | mm2 (metric sizes) | kg | - | ||||||
| in - threads/in (inch sizes) | in2 (inch sizes) | |||||||||||
| 240 | Tr 240x4 | 242 | 316 | 330 | 46 | 9 | 10 | 16500 | 16,0 | HMV 48E | HMV 48E/A101 | |
SKF HMV 48E轴承尺寸图纸

