轴承专区
Bearings Center
FYRP 3.1/2 H轴承-SKF FYRP 3.1/2 H轴承尺寸、图纸、价格
SKF FYRP 3.1/2 H轴承
| 产品名称: | FYRP 3.1/2 H轴承 | 品牌: | SKF |
|---|---|---|---|
| 类型: | SKF轴承 > 轴承单元 > 法兰滚子轴承单元 | ||
| 描述: | FYRP 3.1/2 H轴承是【SKF轴承 > 轴承单元 > 法兰滚子轴承单元】的型号,主要用在电气装置部件、燃汽轮机、汽车发动机、后轮、木工机械、起重机吊钩、船舶用螺旋桨轴、电子、强夯机、风力发电设备等各大领域 | ||
电话/微信:138-8949-5179
SKF FYRP 3.1/2 H轴承详细信息
FYRP 3.1/2 H轴承是【SKF轴承 > 轴承单元 > 法兰滚子轴承单元】的型号,主要用在电气装置部件、燃汽轮机、汽车发动机、后轮、木工机械、起重机吊钩、船舶用螺旋桨轴、电子、强夯机、风力发电设备等各大领域。
SKF FYRP 3.1/2 H轴承详细参数
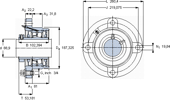
| 带法兰的滚子轴承单元, 锁定套和插口,用于英制的轴, locating units, general conditions (double-lip seals) | |||||||||||
| 尺寸 | 尺寸 [英寸] | 限制速度 | 质量 | 型号 | 轴承,基本型号 | ||||||
| 动态 | 静态 | ||||||||||
| da | A1 | J | L | T | C | C0 | |||||
| mm | kN | r/min | kg | - | - | ||||||
| 88,9 | 81 | 219,075 | 260,4 | 53,181 | 253 | 340 | 1300 | 13,2 | FYRP 3.1/2 H | 22218 | |
SKF FYRP 3.1/2 H轴承尺寸图纸

