李工:138-8949-5179 刘工:135-0428-8802
型号查询
轴承型号   常见搜索: 6020轴承 6013轴承 6205轴承 *轴承 6304轴承 2025轴承
型号查询 X

轴承专区

Bearings Center

FYRP 2.3/4 H-3轴承-SKF FYRP 2.3/4 H-3轴承尺寸、图纸、价格

SKF FYRP 2.3/4 H-3轴承

产品名称:FYRP 2.3/4 H-3轴承 品牌:SKF
类型:SKF轴承 > 轴承单元 > 法兰滚子轴承单元
描述:FYRP 2.3/4 H-3轴承是【SKF轴承 > 轴承单元 > 法兰滚子轴承单元】的型号,主要用在铁路车辆、小型汽车前轮、提升机、差速器、振动筛、汽车转向销、冶炼厂、塑料、土方机械、正面吊等各大领域

 电话/微信:138-8949-5179

SKF FYRP 2.3/4 H-3轴承详细信息

FYRP 2.3/4 H-3轴承是【SKF轴承 > 轴承单元 > 法兰滚子轴承单元】的型号,主要用在铁路车辆、小型汽车前轮、提升机、差速器、振动筛、汽车转向销、冶炼厂、塑料、土方机械、正面吊等各大领域。

SKF FYRP 2.3/4 H-3轴承详细参数

带法兰的滚子轴承单元, 锁定套和插口,用于英制的轴, locating units, radial shaft seals
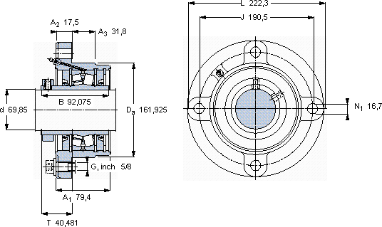
尺寸尺寸 [英寸]限制速度质量型号轴承,基本型号
动态静态
daA1JLTCC0
mmkNr/minkg--
69,8579,4190,5222,340,48115820816009,30FYRP 2.3/4 H-322215

SKF FYRP 2.3/4 H-3轴承尺寸图纸

李工:138-8949-5179

刘工:135-0428-8802

地址:辽宁省大连经济技术开发区现代城3栋-13-13号

在线客服系统