轴承专区
Bearings Center
FYR 3.11/16 H-3轴承-SKF FYR 3.11/16 H-3轴承尺寸、图纸、价格
SKF FYR 3.11/16 H-3轴承
| 产品名称: | FYR 3.11/16 H-3轴承 | 品牌: | SKF |
|---|---|---|---|
| 类型: | SKF轴承 > 轴承单元 > 法兰滚子轴承单元 | ||
| 描述: | FYR 3.11/16 H-3轴承是【SKF轴承 > 轴承单元 > 法兰滚子轴承单元】的型号,主要用在后轮、燃料喷射泵、提升机、齿轮减速装置、木工机械、石油钻机、水力发电机、纺织、解体机、泥炮等各大领域 | ||
电话/微信:138-8949-5179
SKF FYR 3.11/16 H-3轴承详细信息
FYR 3.11/16 H-3轴承是【SKF轴承 > 轴承单元 > 法兰滚子轴承单元】的型号,主要用在后轮、燃料喷射泵、提升机、齿轮减速装置、木工机械、石油钻机、水力发电机、纺织、解体机、泥炮等各大领域。
SKF FYR 3.11/16 H-3轴承详细参数
| 带法兰的滚子轴承单元, 锁定套,用于英制的轴, locating units, radial shaft seals | |||||||||||
| 尺寸 | 尺寸 [英寸] | 限制速度 | 质量 | 型号 | 轴承,基本型号 | ||||||
| 动态 | 静态 | ||||||||||
| da | A1 | J | L | T | C | C0 | |||||
| mm | kN | r/min | kg | - | - | ||||||
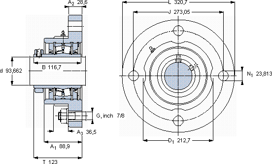
| 93,662 | 88,9 | 273,05 | 320,7 | 123 | 311 | 415 | 1200 | 24,0 | FYR 3.11/16 H-3 | 22220 | |
SKF FYR 3.11/16 H-3轴承尺寸图纸

