轴承专区
Bearings Center
FYR 3.1/2 H-3轴承-SKF FYR 3.1/2 H-3轴承尺寸、图纸、价格
SKF FYR 3.1/2 H-3轴承
| 产品名称: | FYR 3.1/2 H-3轴承 | 品牌: | SKF |
|---|---|---|---|
| 类型: | SKF轴承 > 轴承单元 > 法兰滚子轴承单元 | ||
| 描述: | FYR 3.1/2 H-3轴承是【SKF轴承 > 轴承单元 > 法兰滚子轴承单元】的型号,主要用在铁路车辆、小型汽车前轮、燃汽轮机、差速器、铁路车辆车轴、耕耘机、冶炼厂、化纤机械、地基处理机械、正面吊等各大领域 | ||
电话/微信:138-8949-5179
SKF FYR 3.1/2 H-3轴承详细信息
FYR 3.1/2 H-3轴承是【SKF轴承 > 轴承单元 > 法兰滚子轴承单元】的型号,主要用在铁路车辆、小型汽车前轮、燃汽轮机、差速器、铁路车辆车轴、耕耘机、冶炼厂、化纤机械、地基处理机械、正面吊等各大领域。
SKF FYR 3.1/2 H-3轴承详细参数
| 带法兰的滚子轴承单元, 锁定套,用于英制的轴, locating units, radial shaft seals | |||||||||||
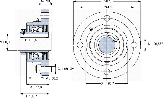
| 尺寸 | 尺寸 [英寸] | 限制速度 | 质量 | 型号 | 轴承,基本型号 | ||||||
| 动态 | 静态 | ||||||||||
| da | A1 | J | L | T | C | C0 | |||||
| mm | kN | r/min | kg | - | - | ||||||
| 88,9 | 77,8 | 241,3 | 282,6 | 108,7 | 253 | 340 | 1300 | 17,2 | FYR 3.1/2 H-3 | 22218 | |
SKF FYR 3.1/2 H-3轴承尺寸图纸

