李工:138-8949-5179 刘工:135-0428-8802
型号查询
轴承型号   常见搜索: 6006轴承 2026轴承 6304轴承 6032轴承 688a轴承 6028轴承
型号查询 X

轴承专区

Bearings Center

FYR 1.11/16 H-3轴承-SKF FYR 1.11/16 H-3轴承尺寸、图纸、价格

SKF FYR 1.11/16 H-3轴承

产品名称:FYR 1.11/16 H-3轴承 品牌:SKF
类型:SKF轴承 > 轴承单元 > 法兰滚子轴承单元
描述:FYR 1.11/16 H-3轴承是【SKF轴承 > 轴承单元 > 法兰滚子轴承单元】的型号,主要用在内燃机、小型汽车前轮、提升机、差速器、造纸机械、耕耘机、挤压机、破碎、平地机、码垛机器人等各大领域

 电话/微信:138-8949-5179

SKF FYR 1.11/16 H-3轴承详细信息

FYR 1.11/16 H-3轴承是【SKF轴承 > 轴承单元 > 法兰滚子轴承单元】的型号,主要用在内燃机、小型汽车前轮、提升机、差速器、造纸机械、耕耘机、挤压机、破碎、平地机、码垛机器人等各大领域。

SKF FYR 1.11/16 H-3轴承详细参数

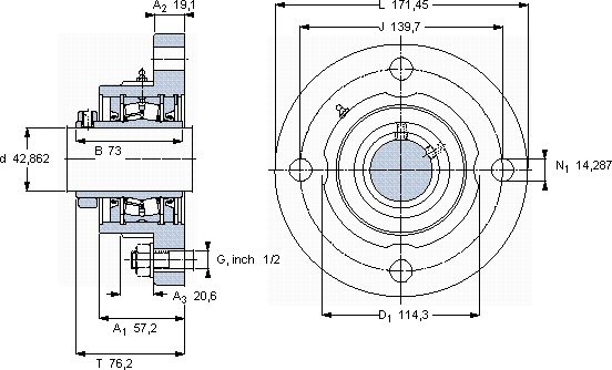
带法兰的滚子轴承单元, 锁定套,用于英制的轴, locating units, radial shaft seals
尺寸尺寸 [英寸]限制速度质量型号轴承,基本型号
动态静态
daA1JLTCC0
mmkNr/minkg--
42,86257,2139,7171,4576,27788,126504,76FYR 1.11/16 H-322209

SKF FYR 1.11/16 H-3轴承尺寸图纸

李工:138-8949-5179

刘工:135-0428-8802

地址:辽宁省大连经济技术开发区现代城3栋-13-13号

在线客服系统