轴承专区
Bearings Center
FYNT 80 F轴承-SKF FYNT 80 F轴承尺寸、图纸、价格
SKF FYNT 80 F轴承
| 产品名称: | FYNT 80 F轴承 | 品牌: | SKF |
|---|---|---|---|
| 类型: | SKF轴承 > 轴承单元 > 法兰滚子轴承单元 | ||
| 描述: | FYNT 80 F轴承是【SKF轴承 > 轴承单元 > 法兰滚子轴承单元】的型号,主要用在燃汽轮机、罗茨鼓风机、中型及大型电动机、建筑机械、各类产业用减速机、石油钻机转环、电机厂、烟草机械、轻工机械、码垛机器人等各大领域 | ||
电话/微信:138-8949-5179
SKF FYNT 80 F轴承详细信息
FYNT 80 F轴承是【SKF轴承 > 轴承单元 > 法兰滚子轴承单元】的型号,主要用在燃汽轮机、罗茨鼓风机、中型及大型电动机、建筑机械、各类产业用减速机、石油钻机转环、电机厂、烟草机械、轻工机械、码垛机器人等各大领域。
SKF FYNT 80 F轴承详细参数
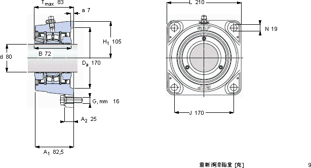
| 带法兰的滚子轴承单元, SKF ConCentra, locating units | ||||||||||||
| 尺寸 | 基本负荷额定值 | 疲劳负荷限值 | 限制速度 | 体积 | 型号 | 轴承,基本型号 | ||||||
| 动态 | 静态 | |||||||||||
| da | A1 | J | L | T | C | C0 | Pu | |||||
| mm | kN | kN | r/min | kg | - | - | ||||||
| 80 | 82,5 | 170 | 210 | 83 | 236 | 270 | 29 | 2300 | 13 | FYNT 80 F | 22216 E | |
SKF FYNT 80 F轴承尺寸图纸

