轴承专区
Bearings Center
FY 1.3/4 TF/VA228轴承-SKF FY 1.3/4 TF/VA228轴承尺寸、图纸、价格
SKF FY 1.3/4 TF/VA228轴承
| 产品名称: | FY 1.3/4 TF/VA228轴承 | 品牌: | SKF |
|---|---|---|---|
| 类型: | SKF轴承 > 滚动轴承 > 工程产品 | ||
| 描述: | FY 1.3/4 TF/VA228轴承是【SKF轴承 > 滚动轴承 > 工程产品】的型号,主要用在装卸搬运机械、各类变速器、发电机、铁路车辆、各类产业用减速机、机床等的变速装置、矿山、啤酒、工程船舶、摩天轮等各大领域 | ||
电话/微信:138-8949-5179
SKF FY 1.3/4 TF/VA228轴承详细信息
FY 1.3/4 TF/VA228轴承是【SKF轴承 > 滚动轴承 > 工程产品】的型号,主要用在装卸搬运机械、各类变速器、发电机、铁路车辆、各类产业用减速机、机床等的变速装置、矿山、啤酒、工程船舶、摩天轮等各大领域。
SKF FY 1.3/4 TF/VA228轴承详细参数
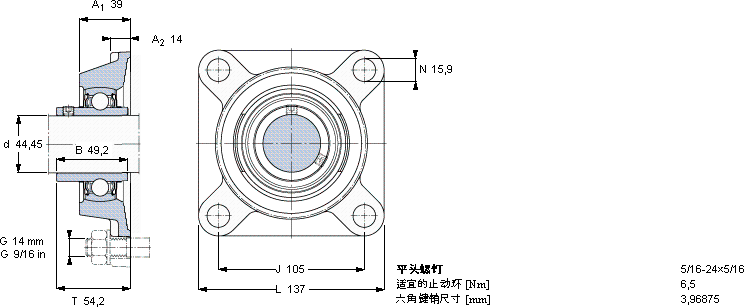
| 用于高温的Y-轴承单元,带法兰单元,方轴承座, 英制轴承 | ||||||||||
| 尺寸 | 基本负荷额定值 | 质量 | 型号 | |||||||
| 静态 | 轴承单元 | 轴承座 | 轴承 | |||||||
| d | A1 | J | L | T | C0 | |||||
| mm | kN | kg | - | |||||||
| 44,45 | 39 | 105 | 137 | 54,2 | 21,6 | 2,10 | FY 1.3/4 TF/VA228 | FY 509 U/VA228 | YAR 209-112-2FW/VA228 | |
SKF FY 1.3/4 TF/VA228轴承尺寸图纸

