轴承专区
Bearings Center
E2.6305-2Z/C3轴承-SKF E2.6305-2Z/C3轴承尺寸、图纸、价格
SKF E2.6305-2Z/C3轴承
| 产品名称: | E2.6305-2Z/C3轴承 | 品牌: | SKF |
|---|---|---|---|
| 类型: | SKF轴承 > 滚动轴承 > 深沟球轴承 | ||
| 描述: | E2.6305-2Z/C3轴承是【SKF轴承 > 滚动轴承 > 深沟球轴承】的型号,主要用在各种产业机械、高频马达、桥式起重机、前轮、轧钢机齿轮箱座、机床主轴、发电厂、烟草机械、混凝土机械、冶金起重机等各大领域 | ||
电话/微信:138-8949-5179
SKF E2.6305-2Z/C3轴承详细信息
E2.6305-2Z/C3轴承是【SKF轴承 > 滚动轴承 > 深沟球轴承】的型号,主要用在各种产业机械、高频马达、桥式起重机、前轮、轧钢机齿轮箱座、机床主轴、发电厂、烟草机械、混凝土机械、冶金起重机等各大领域。
SKF E2.6305-2Z/C3轴承详细参数
| 深沟球轴承, 单列, SKF Energy Efficient (E2) bearings | ||||||||||
| 主要数据尺寸 | 基本负荷额定值 | 疲劳负荷限值 | 额定速度 | 体积 | 型号 | |||||
| 动态 | 静态 | 参照速度 | 限制速度 | |||||||
| d | D | B | C | C0 | Pu | |||||
| mm | kN | kN | r/min | kg | - | |||||
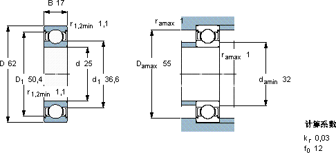
| 25 | 62 | 17 | 22,9 | 11,6 | 0,49 | 27000 | 15000 | 0,23 | E2.6305-2Z/C3 | |
SKF E2.6305-2Z/C3轴承尺寸图纸

