李工:138-8949-5179 刘工:135-0428-8802
型号查询
轴承型号   常见搜索: 71913轴承 6900轴承 6309轴承 *轴承 6019轴承 6003轴承
型号查询 X

轴承专区

Bearings Center

BT4B 332642/HA1轴承-SKF BT4B 332642/HA1轴承尺寸、图纸、价格

SKF BT4B 332642/HA1轴承

产品名称:BT4B 332642/HA1轴承 品牌:SKF
类型:SKF轴承 > 滚动轴承 > 圆锥滚子轴承
描述:BT4B 332642/HA1轴承是【SKF轴承 > 滚动轴承 > 圆锥滚子轴承】的型号,主要用在装卸搬运机械、各类变速器、挖土机履带轮、铁路车辆、破碎机、机床主轴、矿山、啤酒、挖掘机、摩天轮等各大领域

 电话/微信:138-8949-5179

SKF BT4B 332642/HA1轴承详细信息

BT4B 332642/HA1轴承是【SKF轴承 > 滚动轴承 > 圆锥滚子轴承】的型号,主要用在装卸搬运机械、各类变速器、挖土机履带轮、铁路车辆、破碎机、机床主轴、矿山、啤酒、挖掘机、摩天轮等各大领域。

SKF BT4B 332642/HA1轴承详细参数

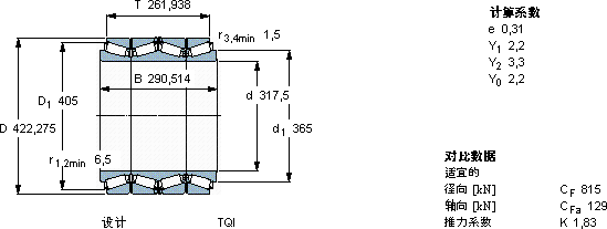
圆锥滚子轴承, 四列,TQI结构, TQI
主要数据尺寸基本负荷额定值疲劳负荷限值体积型号
动态静态
dDTBCC0Pu
mmkNkNkg-
317,5422,275261,938290,51430808150680110BT4B 332642/HA1

SKF BT4B 332642/HA1轴承尺寸图纸

李工:138-8949-5179

刘工:135-0428-8802

地址:辽宁省大连经济技术开发区现代城3栋-13-13号

在线客服系统