李工:138-8949-5179 刘工:135-0428-8802
型号查询
轴承型号   常见搜索: 6022轴承 6011轴承 6014轴承 2025轴承 6017轴承 6909轴承
型号查询 X

轴承专区

Bearings Center

BSD 45100 CG轴承-SKF BSD 45100 CG轴承尺寸、图纸、价格

SKF BSD 45100 CG轴承

产品名称:BSD 45100 CG轴承 品牌:SKF
类型:SKF轴承 > 超高精密轴承 > Angular contact thrust ball bearings for screw drives
描述:BSD 45100 CG轴承是【SKF轴承 > 超高精密轴承 > Angular contact thrust ball bearings for screw drives】的型号,主要用在内燃机、空气压缩机、泵、大型农业机械、铁路车辆车轴、汽车转向销、挤压机、化纤机械、土方机械、数控设备等各大领域

 电话/微信:138-8949-5179

SKF BSD 45100 CG轴承详细信息

BSD 45100 CG轴承是【SKF轴承 > 超高精密轴承 > Angular contact thrust ball bearings for screw drives】的型号,主要用在内燃机、空气压缩机、泵、大型农业机械、铁路车辆车轴、汽车转向销、挤压机、化纤机械、土方机械、数控设备等各大领域。

SKF BSD 45100 CG轴承详细参数

角接触推力球轴承 for screw drives, single direction
主要数据尺寸基本负荷额定值疲劳负荷限值可达到的速度体积型号
动态静态当润滑与SKFSNFA
油脂滴油润滑
dDHCC0Pu
mmkNkNr/minkg-
451002065,51836,7560067000,77BSD 45100 CGBS 45/100 7P62U

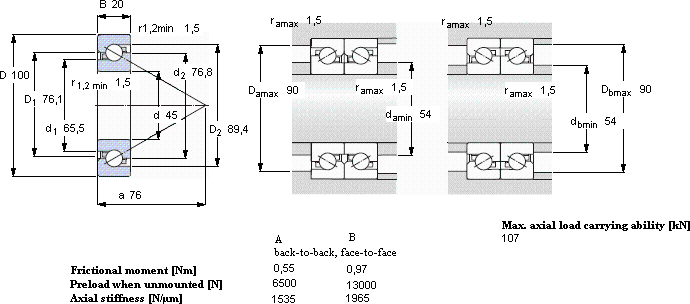
SKF BSD 45100 CG轴承尺寸图纸

李工:138-8949-5179

刘工:135-0428-8802

地址:辽宁省大连经济技术开发区现代城3栋-13-13号

在线客服系统