轴承专区
Bearings Center
BSD 4072 CG轴承-SKF BSD 4072 CG轴承尺寸、图纸、价格
SKF BSD 4072 CG轴承
| 产品名称: | BSD 4072 CG轴承 | 品牌: | SKF |
|---|---|---|---|
| 类型: | SKF轴承 > 超高精密轴承 > Angular contact thrust ball bearings for screw drives | ||
| 描述: | BSD 4072 CG轴承是【SKF轴承 > 超高精密轴承 > Angular contact thrust ball bearings for screw drives】的型号,主要用在后轮、燃汽轮机、中型及大型电动机、后轮、振动筛、石油钻机、水力发电机、饮料设备、给料机械、焊接机器人等各大领域 | ||
电话/微信:138-8949-5179
SKF BSD 4072 CG轴承详细信息
BSD 4072 CG轴承是【SKF轴承 > 超高精密轴承 > Angular contact thrust ball bearings for screw drives】的型号,主要用在后轮、燃汽轮机、中型及大型电动机、后轮、振动筛、石油钻机、水力发电机、饮料设备、给料机械、焊接机器人等各大领域。
SKF BSD 4072 CG轴承详细参数
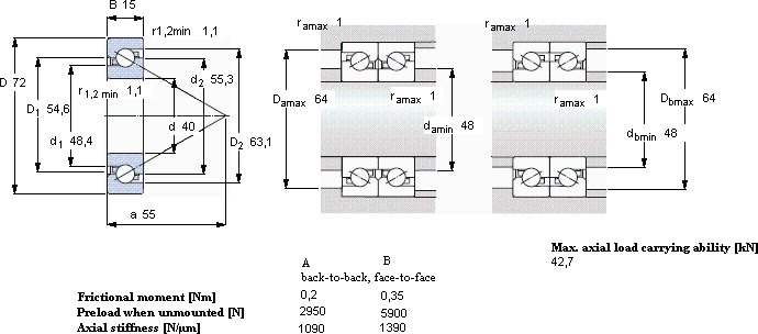
| 角接触推力球轴承 for screw drives, single direction | |||||||||||
| 主要数据尺寸 | 基本负荷额定值 | 疲劳负荷限值 | 可达到的速度 | 体积 | 型号 | ||||||
| 动态 | 静态 | 当润滑与 | SKF | SNFA | |||||||
| 油脂 | 滴油润滑 | ||||||||||
| d | D | H | C | C0 | Pu | ||||||
| mm | kN | kN | r/min | kg | - | ||||||
| 40 | 72 | 15 | 36,5 | 98 | 3,65 | 7500 | 9000 | 0,26 | BSD 4072 CG | BS 40/72 7P62U | |
SKF BSD 4072 CG轴承尺寸图纸

