轴承专区
Bearings Center
BSD 3062 CG轴承-SKF BSD 3062 CG轴承尺寸、图纸、价格
SKF BSD 3062 CG轴承
| 产品名称: | BSD 3062 CG轴承 | 品牌: | SKF |
|---|---|---|---|
| 类型: | SKF轴承 > 超高精密轴承 > Angular contact thrust ball bearings for screw drives | ||
| 描述: | BSD 3062 CG轴承是【SKF轴承 > 超高精密轴承 > Angular contact thrust ball bearings for screw drives】的型号,主要用在铁路车辆、空气压缩机、挖土机履带轮、大型农业机械、造纸机械、耕耘机、冶炼厂、音像设备、平地机、吹氧装置等各大领域 | ||
电话/微信:138-8949-5179
SKF BSD 3062 CG轴承详细信息
BSD 3062 CG轴承是【SKF轴承 > 超高精密轴承 > Angular contact thrust ball bearings for screw drives】的型号,主要用在铁路车辆、空气压缩机、挖土机履带轮、大型农业机械、造纸机械、耕耘机、冶炼厂、音像设备、平地机、吹氧装置等各大领域。
SKF BSD 3062 CG轴承详细参数
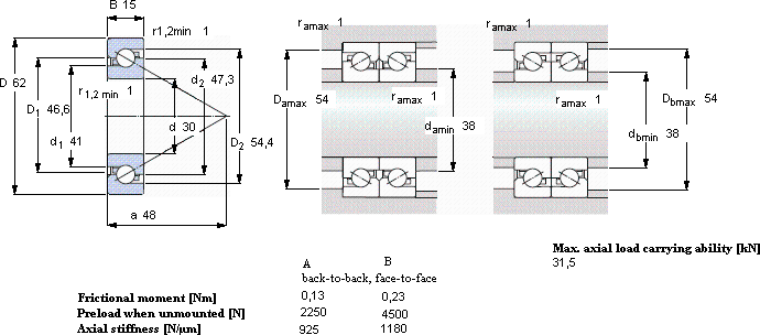
| 角接触推力球轴承 for screw drives, single direction | |||||||||||
| 主要数据尺寸 | 基本负荷额定值 | 疲劳负荷限值 | 可达到的速度 | 体积 | 型号 | ||||||
| 动态 | 静态 | 当润滑与 | SKF | SNFA | |||||||
| 油脂 | 滴油润滑 | ||||||||||
| d | D | H | C | C0 | Pu | ||||||
| mm | kN | kN | r/min | kg | - | ||||||
| 30 | 62 | 15 | 28,5 | 71 | 2,65 | 8000 | 9500 | 0,22 | BSD 3062 CG | BS 30/62 7P62U | |
SKF BSD 3062 CG轴承尺寸图纸

