轴承专区
Bearings Center
BEAB 351866 A轴承-SKF BEAB 351866 A轴承尺寸、图纸、价格
SKF BEAB 351866 A轴承
| 产品名称: | BEAB 351866 A轴承 | 品牌: | SKF |
|---|---|---|---|
| 类型: | SKF轴承 > 滚动轴承 > 角接触推力球轴承 | ||
| 描述: | BEAB 351866 A轴承是【SKF轴承 > 滚动轴承 > 角接触推力球轴承】的型号,主要用在铁路车辆、燃料喷射泵、变速器、齿轮减速装置、木工机械、起重机吊钩、冶炼厂、啤酒、强夯机、正面吊等各大领域 | ||
电话/微信:138-8949-5179
SKF BEAB 351866 A轴承详细信息
BEAB 351866 A轴承是【SKF轴承 > 滚动轴承 > 角接触推力球轴承】的型号,主要用在铁路车辆、燃料喷射泵、变速器、齿轮减速装置、木工机械、起重机吊钩、冶炼厂、啤酒、强夯机、正面吊等各大领域。
SKF BEAB 351866 A轴承详细参数
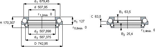
| 角接触推力球轴承, 双向 | |||||||||||
| 主要数据尺寸 | 基本负荷额定值 | 疲劳负荷限值 [kN] | 体积 | 型号 | |||||||
| 上轴承 | 下轴承 | 上数值 | 下数值 | ||||||||
| 动态 | 静态 | 动态 | 静态 | ||||||||
| d | D | H | C | C0 | C | C0 | Pu | Pu | |||
| mm | kN | kN | kN | kg | - | ||||||
| 507,95 | 742,95 | 170,307 | 1080 | 6200 | 490 | 2800 | 93 | 44 | 180 | BEAB 351866 A | |
SKF BEAB 351866 A轴承尺寸图纸

