李工:138-8949-5179 刘工:135-0428-8802
型号查询
轴承型号   常见搜索: 6019轴承 3214轴承 6909轴承 6011轴承 6018轴承 6304轴承
型号查询 X

轴承专区

Bearings Center

BEAB 351866轴承-SKF BEAB 351866轴承尺寸、图纸、价格

SKF BEAB 351866轴承

产品名称:BEAB 351866轴承 品牌:SKF
类型:SKF轴承 > 滚动轴承 > 角接触推力球轴承
描述:BEAB 351866轴承是【SKF轴承 > 滚动轴承 > 角接触推力球轴承】的型号,主要用在建筑机械、各类变速器、汽车发动机、铁路车辆、印刷机械、机床等的变速装置、成形机、烟草机械、压路机、港口起重机等各大领域

 电话/微信:138-8949-5179

SKF BEAB 351866轴承详细信息

BEAB 351866轴承是【SKF轴承 > 滚动轴承 > 角接触推力球轴承】的型号,主要用在建筑机械、各类变速器、汽车发动机、铁路车辆、印刷机械、机床等的变速装置、成形机、烟草机械、压路机、港口起重机等各大领域。

SKF BEAB 351866轴承详细参数

角接触推力球轴承, 双向
主要数据尺寸基本负荷额定值疲劳负荷限值 [kN]体积型号
上轴承下轴承上数值下数值
动态静态动态静态
dDHCC0CC0PuPu
mmkNkNkNkg-
507,95742,95170,307930375049028006444190BEAB 351866

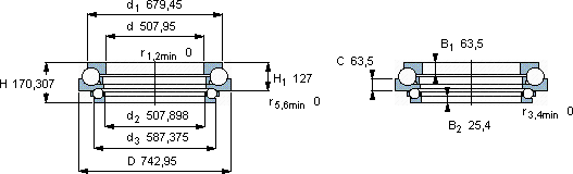
SKF BEAB 351866轴承尺寸图纸

李工:138-8949-5179

刘工:135-0428-8802

地址:辽宁省大连经济技术开发区现代城3栋-13-13号

在线客服系统