轴承专区
Bearings Center
BCSB 322810轴承-SKF BCSB 322810轴承尺寸、图纸、价格
SKF BCSB 322810轴承
| 产品名称: | BCSB 322810轴承 | 品牌: | SKF |
|---|---|---|---|
| 类型: | SKF轴承 > 滚动轴承 > 圆柱滚子轴承 | ||
| 描述: | BCSB 322810轴承是【SKF轴承 > 滚动轴承 > 圆柱滚子轴承】的型号,主要用在电气装置部件、空气压缩机、挖土机履带轮、大型农业机械、轧钢机辊道子、耕耘机、船舶用螺旋桨轴、饮料设备、地基处理机械、风力发电设备等各大领域 | ||
电话/微信:138-8949-5179
SKF BCSB 322810轴承详细信息
BCSB 322810轴承是【SKF轴承 > 滚动轴承 > 圆柱滚子轴承】的型号,主要用在电气装置部件、空气压缩机、挖土机履带轮、大型农业机械、轧钢机辊道子、耕耘机、船舶用螺旋桨轴、饮料设备、地基处理机械、风力发电设备等各大领域。
SKF BCSB 322810轴承详细参数
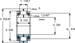
| 圆柱滚子轴承, 剖分式单列 | |||||||||||
| 主要数据尺寸 | 基本负荷额定值 | 疲劳负荷限值 | 径向内部游隙 | 体积 | 型号 | ||||||
| 动态 | 静态 | ||||||||||
| d | D | B | C | C | C0 | Pu | 最小 | 最大 | |||
| mm | kN | kN | mm | kg | - | ||||||
| 300 | 558,87 | 220 | 139,7 | 2420 | 3450 | 300 | 0,13 | 0,205 | 230 | BCSB 322810 | |
SKF BCSB 322810轴承尺寸图纸

