轴承专区
Bearings Center
BC4-8067/HA3轴承-SKF BC4-8067/HA3轴承尺寸、图纸、价格
SKF BC4-8067/HA3轴承
| 产品名称: | BC4-8067/HA3轴承 | 品牌: | SKF |
|---|---|---|---|
| 类型: | SKF轴承 > 滚动轴承 > 圆柱滚子轴承 | ||
| 描述: | BC4-8067/HA3轴承是【SKF轴承 > 滚动轴承 > 圆柱滚子轴承】的型号,主要用在内燃机、燃料喷射泵、泵、齿轮减速装置、轧钢机辊道子、起重机吊钩、挤压机、纺织、专用车、码垛机器人等各大领域 | ||
电话/微信:138-8949-5179
SKF BC4-8067/HA3轴承详细信息
BC4-8067/HA3轴承是【SKF轴承 > 滚动轴承 > 圆柱滚子轴承】的型号,主要用在内燃机、燃料喷射泵、泵、齿轮减速装置、轧钢机辊道子、起重机吊钩、挤压机、纺织、专用车、码垛机器人等各大领域。
SKF BC4-8067/HA3轴承详细参数
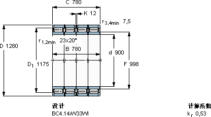
| 圆柱滚子轴承, 四列, BC4.14 | |||||||||
| 主要数据尺寸 | 基本负荷额定值 | 疲劳负荷限值 | 体积 | 型号 | |||||
| 动态 | 静态 | ||||||||
| d | D | B | C | C | C0 | Pu | |||
| mm | kN | kN | kg | - | |||||
| 900 | 1280 | 780 | 780 | 28600 | 64000 | 4050 | 3280 | BC4-8067/HA3 | |
SKF BC4-8067/HA3轴承尺寸图纸

