轴承专区
Bearings Center
BA1B 311712轴承-SKF BA1B 311712轴承尺寸、图纸、价格
SKF BA1B 311712轴承
| 产品名称: | BA1B 311712轴承 | 品牌: | SKF |
|---|---|---|---|
| 类型: | SKF轴承 > 滚动轴承 > 角接触球轴承 | ||
| 描述: | BA1B 311712轴承是【SKF轴承 > 滚动轴承 > 角接触球轴承】的型号,主要用在各种产业机械、罗茨鼓风机、压缩机、建筑机械、轧钢机齿轮箱座、石油钻机转环、发电厂、化纤机械、凿岩机械、冶金起重机等各大领域 | ||
电话/微信:138-8949-5179
SKF BA1B 311712轴承详细信息
BA1B 311712轴承是【SKF轴承 > 滚动轴承 > 角接触球轴承】的型号,主要用在各种产业机械、罗茨鼓风机、压缩机、建筑机械、轧钢机齿轮箱座、石油钻机转环、发电厂、化纤机械、凿岩机械、冶金起重机等各大领域。
SKF BA1B 311712轴承详细参数
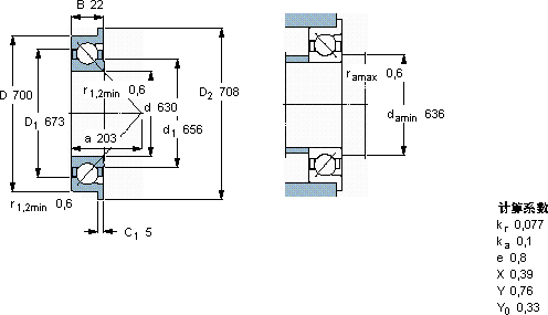
| 角接触球轴承, 单列, 公制轴承, 外圈有挡边 | |||||||||||
| 主要数据尺寸 | 尺寸 [英寸] | 疲劳负荷限值 | 额定速度 | 体积 | 型号 | ||||||
| 动态 | 静态 | 参照速度 | 限制速度 | ||||||||
| d | D | B | C | C0 | Pu | ||||||
| mm | kN | kN | r/min | kg | - | ||||||
| 630 | 700 | 22 | 135 | 440 | 7,2 | 750 | 750 | 11,5 | BA1B 311712 | ||
SKF BA1B 311712轴承尺寸图纸

