轴承专区
Bearings Center
AMS 18 ABP轴承-SKF AMS 18 ABP轴承尺寸、图纸、价格
SKF AMS 18 ABP轴承
| 产品名称: | AMS 18 ABP轴承 | 品牌: | SKF |
|---|---|---|---|
| 类型: | SKF轴承 > 滚动轴承 > 角接触球轴承 | ||
| 描述: | AMS 18 ABP轴承是【SKF轴承 > 滚动轴承 > 角接触球轴承】的型号,主要用在燃汽轮机、各类变速器、发电机、铁路车辆、各类产业用减速机、机床主轴、电机厂、纺织、混凝土机械、抓钢机等各大领域 | ||
电话/微信:138-8949-5179
SKF AMS 18 ABP轴承详细信息
AMS 18 ABP轴承是【SKF轴承 > 滚动轴承 > 角接触球轴承】的型号,主要用在燃汽轮机、各类变速器、发电机、铁路车辆、各类产业用减速机、机床主轴、电机厂、纺织、混凝土机械、抓钢机等各大领域。
SKF AMS 18 ABP轴承详细参数
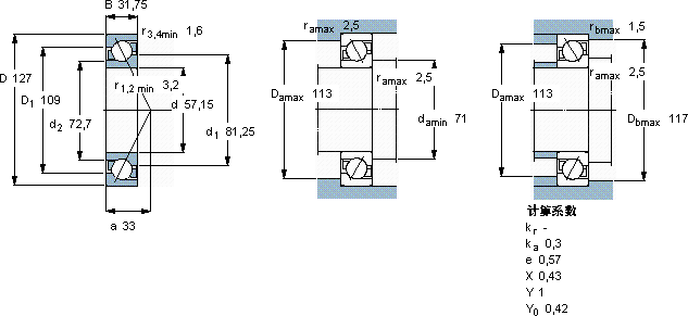
| 角接触球轴承, 单列, 英制轴承 | |||||||||||
| 主要数据尺寸 | 尺寸 [英寸] | 疲劳负荷限值 | 额定速度 | 体积 | 型号 | ||||||
| 动态 | 静态 | 参照速度 | 限制速度 | ||||||||
| d | D | B | C | C0 | Pu | ||||||
| mm | kN | kN | r/min | kg | - | ||||||
| 57,15 | 127 | 31,75 | 111 | 80 | 3,35 | 6700 | 6700 | 1,60 | AMS 18 ABP | 仅对售后市场 | |
SKF AMS 18 ABP轴承尺寸图纸

