轴承专区
Bearings Center
ALS 40 ABM轴承-SKF ALS 40 ABM轴承尺寸、图纸、价格
SKF ALS 40 ABM轴承
| 产品名称: | ALS 40 ABM轴承 | 品牌: | SKF |
|---|---|---|---|
| 类型: | SKF轴承 > 滚动轴承 > 角接触球轴承 | ||
| 描述: | ALS 40 ABM轴承是【SKF轴承 > 滚动轴承 > 角接触球轴承】的型号,主要用在铁路车辆、燃汽轮机、中型及大型电动机、后轮、铁路车辆车轴、石油钻机、冶炼厂、薄膜拉伸、解体机、吹氧装置等各大领域 | ||
电话/微信:138-8949-5179
SKF ALS 40 ABM轴承详细信息
ALS 40 ABM轴承是【SKF轴承 > 滚动轴承 > 角接触球轴承】的型号,主要用在铁路车辆、燃汽轮机、中型及大型电动机、后轮、铁路车辆车轴、石油钻机、冶炼厂、薄膜拉伸、解体机、吹氧装置等各大领域。
SKF ALS 40 ABM轴承详细参数
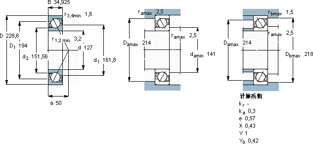
| 角接触球轴承, 单列, 英制轴承 | |||||||||||
| 主要数据尺寸 | 尺寸 [英寸] | 疲劳负荷限值 | 额定速度 | 体积 | 型号 | ||||||
| 动态 | 静态 | 参照速度 | 限制速度 | ||||||||
| d | D | B | C | C0 | Pu | ||||||
| mm | kN | kN | r/min | kg | - | ||||||
| 127 | 228,6 | 34,925 | 186 | 190 | 6 | 3600 | 3600 | 6,10 | ALS 40 ABM | 仅对售后市场 | |
SKF ALS 40 ABM轴承尺寸图纸

