李工:138-8949-5179 刘工:135-0428-8802
型号查询
轴承型号   常见搜索: 6011轴承 7014轴承 6008轴承 6012轴承 688a轴承 6017轴承
型号查询 X

轴承专区

Bearings Center

7419 GAM轴承-SKF 7419 GAM轴承尺寸、图纸、价格

SKF 7419 GAM轴承

产品名称:7419 GAM轴承 品牌:SKF
类型:SKF轴承 > 滚动轴承 > 角接触球轴承
描述:7419 GAM轴承是【SKF轴承 > 滚动轴承 > 角接触球轴承】的型号,主要用在飞机喷气式发动机、燃料喷射泵、中型及大型电动机、齿轮减速装置、造纸机械、起重机吊钩、燃机、化纤机械、专用车、厨具设备等各大领域

 电话/微信:138-8949-5179

SKF 7419 GAM轴承详细信息

7419 GAM轴承是【SKF轴承 > 滚动轴承 > 角接触球轴承】的型号,主要用在飞机喷气式发动机、燃料喷射泵、中型及大型电动机、齿轮减速装置、造纸机械、起重机吊钩、燃机、化纤机械、专用车、厨具设备等各大领域。

SKF 7419 GAM轴承详细参数

角接触球轴承, 单列
主要数据尺寸尺寸 [英寸]疲劳负荷限值额定速度体积型号
动态静态参照速度限制速度
dDBCC0Pu
mmkNkNr/minkg-
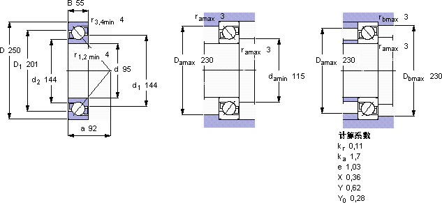
95250552512457,83400340013,57419 GAM

SKF 7419 GAM轴承尺寸图纸

李工:138-8949-5179

刘工:135-0428-8802

地址:辽宁省大连经济技术开发区现代城3栋-13-13号

在线客服系统