轴承专区
Bearings Center
7416 CBM轴承-SKF 7416 CBM轴承尺寸、图纸、价格
SKF 7416 CBM轴承
| 产品名称: | 7416 CBM轴承 | 品牌: | SKF |
|---|---|---|---|
| 类型: | SKF轴承 > 滚动轴承 > 角接触球轴承 | ||
| 描述: | 7416 CBM轴承是【SKF轴承 > 滚动轴承 > 角接触球轴承】的型号,主要用在建筑机械、各类变速器、汽车发动机、铁路车辆、各类产业用减速机、机床主轴、成形机、洗染、挖掘机、港口起重机等各大领域 | ||
电话/微信:138-8949-5179
SKF 7416 CBM轴承详细信息
7416 CBM轴承是【SKF轴承 > 滚动轴承 > 角接触球轴承】的型号,主要用在建筑机械、各类变速器、汽车发动机、铁路车辆、各类产业用减速机、机床主轴、成形机、洗染、挖掘机、港口起重机等各大领域。
SKF 7416 CBM轴承详细参数
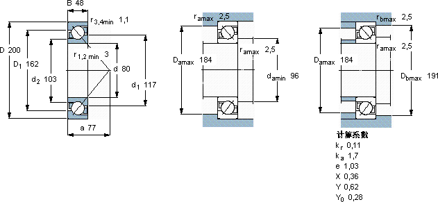
| 角接触球轴承, 单列 | |||||||||||
| 主要数据尺寸 | 尺寸 [英寸] | 疲劳负荷限值 | 额定速度 | 体积 | 型号 | ||||||
| 动态 | 静态 | 参照速度 | 限制速度 | ||||||||
| d | D | B | C | C0 | Pu | ||||||
| mm | kN | kN | r/min | kg | - | ||||||
| 80 | 200 | 48 | 178 | 153 | 5,5 | 4000 | 4300 | 8,00 | 7416 CBM | ||
SKF 7416 CBM轴承尺寸图纸

