李工:138-8949-5179 刘工:135-0428-8802
型号查询
轴承型号   常见搜索: 688a轴承 32313轴承 7014轴承 71913轴承 6900轴承 6012轴承
型号查询 X

轴承专区

Bearings Center

7412 BM轴承-SKF 7412 BM轴承尺寸、图纸、价格

SKF 7412 BM轴承

产品名称:7412 BM轴承 品牌:SKF
类型:SKF轴承 > 滚动轴承 > 角接触球轴承
描述:7412 BM轴承是【SKF轴承 > 滚动轴承 > 角接触球轴承】的型号,主要用在燃汽轮机、高频马达、减速装置、前轮、印刷机械、机床等的变速装置、电机厂、化纤机械、压路机、码垛机器人等各大领域

 电话/微信:138-8949-5179

SKF 7412 BM轴承详细信息

7412 BM轴承是【SKF轴承 > 滚动轴承 > 角接触球轴承】的型号,主要用在燃汽轮机、高频马达、减速装置、前轮、印刷机械、机床等的变速装置、电机厂、化纤机械、压路机、码垛机器人等各大领域。

SKF 7412 BM轴承详细参数

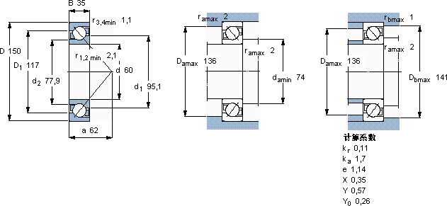
角接触球轴承, 单列
主要数据尺寸尺寸 [英寸]疲劳负荷限值额定速度体积型号
动态静态参照速度限制速度
dDBCC0Pu
mmkNkNr/minkg-
601503511986,53,55560056003,307412 BM

SKF 7412 BM轴承尺寸图纸

李工:138-8949-5179

刘工:135-0428-8802

地址:辽宁省大连经济技术开发区现代城3栋-13-13号

在线客服系统