轴承专区
Bearings Center
7405 BGAM轴承-SKF 7405 BGAM轴承尺寸、图纸、价格
SKF 7405 BGAM轴承
| 产品名称: | 7405 BGAM轴承 | 品牌: | SKF |
|---|---|---|---|
| 类型: | SKF轴承 > 滚动轴承 > 角接触球轴承 | ||
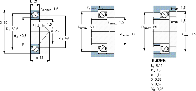
| 描述: | 7405 BGAM轴承是【SKF轴承 > 滚动轴承 > 角接触球轴承】的型号,主要用在铁路车辆、空气压缩机、纺织机械传动轴、大型农业机械、轧钢机辊道子、汽车转向销、冶炼厂、陶瓷机械、掘进机、吹氧装置等各大领域 | ||
电话/微信:138-8949-5179
SKF 7405 BGAM轴承详细信息
7405 BGAM轴承是【SKF轴承 > 滚动轴承 > 角接触球轴承】的型号,主要用在铁路车辆、空气压缩机、纺织机械传动轴、大型农业机械、轧钢机辊道子、汽车转向销、冶炼厂、陶瓷机械、掘进机、吹氧装置等各大领域。
SKF 7405 BGAM轴承详细参数
| 角接触球轴承, 单列 | |||||||||||
| 主要数据尺寸 | 尺寸 [英寸] | 疲劳负荷限值 | 额定速度 | 体积 | 型号 | ||||||
| 动态 | 静态 | 参照速度 | 限制速度 | ||||||||
| d | D | B | C | C0 | Pu | ||||||
| mm | kN | kN | r/min | kg | - | ||||||
| 25 | 80 | 21 | 39,7 | 23,6 | 1 | 11000 | 11000 | 0,61 | 7405 BGAM | ||
SKF 7405 BGAM轴承尺寸图纸

