轴承专区
Bearings Center
7322 BEM轴承-SKF 7322 BEM轴承尺寸、图纸、价格
SKF 7322 BEM轴承
| 产品名称: | 7322 BEM轴承 | 品牌: | SKF |
|---|---|---|---|
| 类型: | SKF轴承 > 滚动轴承 > 角接触球轴承 | ||
| 描述: | 7322 BEM轴承是【SKF轴承 > 滚动轴承 > 角接触球轴承】的型号,主要用在燃汽轮机、差速器小齿轮轴、汽车发动机、小齿轮轴、轧钢机齿轮箱座、机床主轴、电机厂、烟草机械、混凝土机械、数控设备等各大领域 | ||
电话/微信:138-8949-5179
SKF 7322 BEM轴承详细信息
7322 BEM轴承是【SKF轴承 > 滚动轴承 > 角接触球轴承】的型号,主要用在燃汽轮机、差速器小齿轮轴、汽车发动机、小齿轮轴、轧钢机齿轮箱座、机床主轴、电机厂、烟草机械、混凝土机械、数控设备等各大领域。
SKF 7322 BEM轴承详细参数
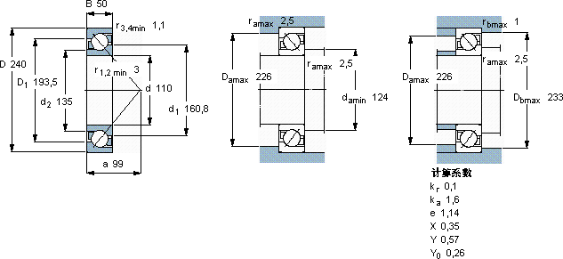
| 角接触球轴承, 单列 | |||||||||||
| 主要数据尺寸 | 尺寸 [英寸] | 疲劳负荷限值 | 额定速度 | 体积 | 型号 | ||||||
| 动态 | 静态 | 参照速度 | 限制速度 | ||||||||
| d | D | B | C | C0 | Pu | ||||||
| mm | kN | kN | r/min | kg | - | ||||||
| 110 | 240 | 50 | 225 | 224 | 7,2 | 3200 | 3400 | 10,7 | 7322 BEM | ||
SKF 7322 BEM轴承尺寸图纸

