李工:138-8949-5179 刘工:135-0428-8802
型号查询
轴承型号   常见搜索: 6021轴承 6012轴承 6002轴承 71913轴承 6032轴承 6017轴承
型号查询 X

轴承专区

Bearings Center

7319 BECBY轴承-SKF 7319 BECBY轴承尺寸、图纸、价格

SKF 7319 BECBY轴承

产品名称:7319 BECBY轴承 品牌:SKF
类型:SKF轴承 > 滚动轴承 > 角接触球轴承
描述:7319 BECBY轴承是【SKF轴承 > 滚动轴承 > 角接触球轴承】的型号,主要用在家用电器、燃汽轮机、变速器、后轮、铁路车辆车轴、起重机吊钩、塔吊、烟草机械、强夯机、雷达等各大领域

 电话/微信:138-8949-5179

SKF 7319 BECBY轴承详细信息

7319 BECBY轴承是【SKF轴承 > 滚动轴承 > 角接触球轴承】的型号,主要用在家用电器、燃汽轮机、变速器、后轮、铁路车辆车轴、起重机吊钩、塔吊、烟草机械、强夯机、雷达等各大领域。

SKF 7319 BECBY轴承详细参数

角接触球轴承, 单列
主要数据尺寸尺寸 [英寸]疲劳负荷限值额定速度体积型号
动态静态参照速度限制速度
dDBCC0Pu
mmkNkNr/minkg-
95200451781635,6380038006,177319 BECBY

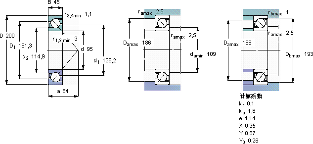
SKF 7319 BECBY轴承尺寸图纸

李工:138-8949-5179

刘工:135-0428-8802

地址:辽宁省大连经济技术开发区现代城3栋-13-13号

在线客服系统