轴承专区
Bearings Center
7316 BECCM *轴承-SKF 7316 BECCM *轴承尺寸、图纸、价格
SKF 7316 BECCM *轴承
| 产品名称: | 7316 BECCM *轴承 | 品牌: | SKF |
|---|---|---|---|
| 类型: | SKF轴承 > 滚动轴承 > 角接触球轴承 | ||
| 描述: | 7316 BECCM *轴承是【SKF轴承 > 滚动轴承 > 角接触球轴承】的型号,主要用在燃汽轮机、高频马达、桥式起重机、前轮、减速装置、机床主轴、电机厂、塑料、混凝土机械、码垛机器人等各大领域 | ||
电话/微信:138-8949-5179
SKF 7316 BECCM *轴承详细信息
7316 BECCM *轴承是【SKF轴承 > 滚动轴承 > 角接触球轴承】的型号,主要用在燃汽轮机、高频马达、桥式起重机、前轮、减速装置、机床主轴、电机厂、塑料、混凝土机械、码垛机器人等各大领域。
SKF 7316 BECCM *轴承详细参数
| 角接触球轴承, 单列 | |||||||||||
| 主要数据尺寸 | 尺寸 [英寸] | 疲劳负荷限值 | 额定速度 | 体积 | 型号 | ||||||
| 动态 | 静态 | 参照速度 | 限制速度 | ||||||||
| d | D | B | C | C0 | Pu | * - SKF Explorer 轴承 | |||||
| mm | kN | kN | r/min | kg | - | ||||||
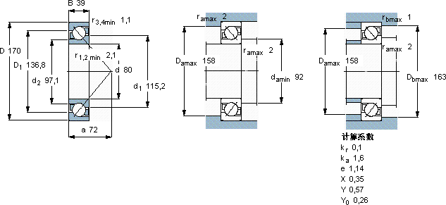
| 80 | 170 | 39 | 143 | 118 | 4,5 | 5000 | 5000 | 4,03 | 7316 BECCM * | ||
SKF 7316 BECCM *轴承尺寸图纸

