李工:138-8949-5179 刘工:135-0428-8802
型号查询
轴承型号   常见搜索: 6011轴承 6015轴承 6017轴承 6004轴承 6214轴承 6007轴承
型号查询 X

轴承专区

Bearings Center

7236 BCAM轴承-SKF 7236 BCAM轴承尺寸、图纸、价格

SKF 7236 BCAM轴承

产品名称:7236 BCAM轴承 品牌:SKF
类型:SKF轴承 > 滚动轴承 > 角接触球轴承
描述:7236 BCAM轴承是【SKF轴承 > 滚动轴承 > 角接触球轴承】的型号,主要用在燃汽轮机、各类变速器、泵、铁路车辆、减速装置、机床等的变速装置、电机厂、钟表、压路机、抓钢机等各大领域

 电话/微信:138-8949-5179

SKF 7236 BCAM轴承详细信息

7236 BCAM轴承是【SKF轴承 > 滚动轴承 > 角接触球轴承】的型号,主要用在燃汽轮机、各类变速器、泵、铁路车辆、减速装置、机床等的变速装置、电机厂、钟表、压路机、抓钢机等各大领域。

SKF 7236 BCAM轴承详细参数

角接触球轴承, 单列
主要数据尺寸尺寸 [英寸]疲劳负荷限值额定速度体积型号
动态静态参照速度限制速度
dDBCC0Pu
mmkNkNr/minkg-
18032052291375102200240017,67236 BCAM

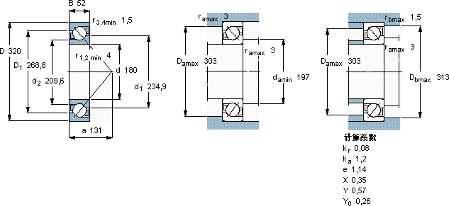
SKF 7236 BCAM轴承尺寸图纸

李工:138-8949-5179

刘工:135-0428-8802

地址:辽宁省大连经济技术开发区现代城3栋-13-13号

在线客服系统