轴承专区
Bearings Center
7201 BEGAP轴承-SKF 7201 BEGAP轴承尺寸、图纸、价格
SKF 7201 BEGAP轴承
| 产品名称: | 7201 BEGAP轴承 | 品牌: | SKF |
|---|---|---|---|
| 类型: | SKF轴承 > 滚动轴承 > 角接触球轴承 | ||
| 描述: | 7201 BEGAP轴承是【SKF轴承 > 滚动轴承 > 角接触球轴承】的型号,主要用在电气装置部件、空气压缩机、减速装置、大型农业机械、振动筛、汽车转向销、船舶用螺旋桨轴、化纤机械、掘进机、风力发电设备等各大领域 | ||
电话/微信:138-8949-5179
SKF 7201 BEGAP轴承详细信息
7201 BEGAP轴承是【SKF轴承 > 滚动轴承 > 角接触球轴承】的型号,主要用在电气装置部件、空气压缩机、减速装置、大型农业机械、振动筛、汽车转向销、船舶用螺旋桨轴、化纤机械、掘进机、风力发电设备等各大领域。
SKF 7201 BEGAP轴承详细参数
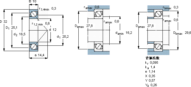
| 角接触球轴承, 单列 | |||||||||||
| 主要数据尺寸 | 尺寸 [英寸] | 疲劳负荷限值 | 额定速度 | 体积 | 型号 | ||||||
| 动态 | 静态 | 参照速度 | 限制速度 | ||||||||
| d | D | B | C | C0 | Pu | ||||||
| mm | kN | kN | r/min | kg | - | ||||||
| 12 | 32 | 10 | 7,61 | 3,8 | 0,16 | 26000 | 26000 | 0,036 | 7201 BEGAP | ||
SKF 7201 BEGAP轴承尺寸图纸

