轴承专区
Bearings Center
71984 BM轴承-SKF 71984 BM轴承尺寸、图纸、价格
SKF 71984 BM轴承
| 产品名称: | 71984 BM轴承 | 品牌: | SKF |
|---|---|---|---|
| 类型: | SKF轴承 > 滚动轴承 > 角接触球轴承 | ||
| 描述: | 71984 BM轴承是【SKF轴承 > 滚动轴承 > 角接触球轴承】的型号,主要用在通用电动机、罗茨鼓风机、中型及大型电动机、建筑机械、印刷机械、制铁制钢机械、轧钢机轧制螺杆用减速机、精细化工机械、堆取料机、机场加油机等各大领域 | ||
电话/微信:138-8949-5179
SKF 71984 BM轴承详细信息
71984 BM轴承是【SKF轴承 > 滚动轴承 > 角接触球轴承】的型号,主要用在通用电动机、罗茨鼓风机、中型及大型电动机、建筑机械、印刷机械、制铁制钢机械、轧钢机轧制螺杆用减速机、精细化工机械、堆取料机、机场加油机等各大领域。
SKF 71984 BM轴承详细参数
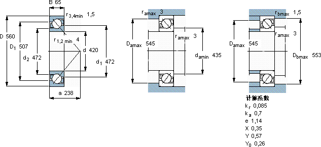
| 角接触球轴承, 单列 | |||||||||||
| 主要数据尺寸 | 尺寸 [英寸] | 疲劳负荷限值 | 额定速度 | 体积 | 型号 | ||||||
| 动态 | 静态 | 参照速度 | 限制速度 | ||||||||
| d | D | B | C | C0 | Pu | ||||||
| mm | kN | kN | r/min | kg | - | ||||||
| 420 | 560 | 65 | 364 | 670 | 13,7 | 1200 | 1200 | 44,5 | 71984 BM | ||
SKF 71984 BM轴承尺寸图纸

