轴承专区
Bearings Center
71968 ACMB轴承-SKF 71968 ACMB轴承尺寸、图纸、价格
SKF 71968 ACMB轴承
| 产品名称: | 71968 ACMB轴承 | 品牌: | SKF |
|---|---|---|---|
| 类型: | SKF轴承 > 滚动轴承 > 角接触球轴承 | ||
| 描述: | 71968 ACMB轴承是【SKF轴承 > 滚动轴承 > 角接触球轴承】的型号,主要用在内燃机、油泵、发电机、机床主轴、铁路车辆车轴、石油钻机、挤压机、洗染、给料机械、抓钢机等各大领域 | ||
电话/微信:138-8949-5179
SKF 71968 ACMB轴承详细信息
71968 ACMB轴承是【SKF轴承 > 滚动轴承 > 角接触球轴承】的型号,主要用在内燃机、油泵、发电机、机床主轴、铁路车辆车轴、石油钻机、挤压机、洗染、给料机械、抓钢机等各大领域。
SKF 71968 ACMB轴承详细参数
| 角接触球轴承, 单列 | |||||||||||
| 主要数据尺寸 | 尺寸 [英寸] | 疲劳负荷限值 | 额定速度 | 体积 | 型号 | ||||||
| 动态 | 静态 | 参照速度 | 限制速度 | ||||||||
| d | D | B | C | C0 | Pu | ||||||
| mm | kN | kN | r/min | kg | - | ||||||
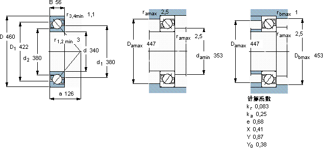
| 340 | 460 | 56 | 338 | 585 | 12,5 | 1500 | 1500 | 24,0 | 71968 ACMB | ||
SKF 71968 ACMB轴承尺寸图纸

