轴承专区
Bearings Center
71892 AGMB轴承-SKF 71892 AGMB轴承尺寸、图纸、价格
SKF 71892 AGMB轴承
| 产品名称: | 71892 AGMB轴承 | 品牌: | SKF |
|---|---|---|---|
| 类型: | SKF轴承 > 滚动轴承 > 角接触球轴承 | ||
| 描述: | 71892 AGMB轴承是【SKF轴承 > 滚动轴承 > 角接触球轴承】的型号,主要用在农业机械、燃汽轮机、挖土机履带轮、后轮、轧钢机辊道子、石油钻机、钢铁厂、音像设备、给料机械、刮泥机等各大领域 | ||
电话/微信:138-8949-5179
SKF 71892 AGMB轴承详细信息
71892 AGMB轴承是【SKF轴承 > 滚动轴承 > 角接触球轴承】的型号,主要用在农业机械、燃汽轮机、挖土机履带轮、后轮、轧钢机辊道子、石油钻机、钢铁厂、音像设备、给料机械、刮泥机等各大领域。
SKF 71892 AGMB轴承详细参数
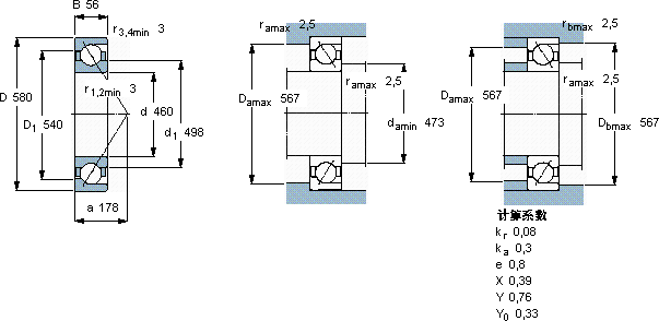
| 角接触球轴承, 单列 | |||||||||||
| 主要数据尺寸 | 尺寸 [英寸] | 疲劳负荷限值 | 额定速度 | 体积 | 型号 | ||||||
| 动态 | 静态 | 参照速度 | 限制速度 | ||||||||
| d | D | B | C | C0 | Pu | ||||||
| mm | kN | kN | r/min | kg | - | ||||||
| 460 | 580 | 56 | 371 | 765 | 14,3 | 1100 | 1100 | 34,5 | 71892 AGMB | ||
SKF 71892 AGMB轴承尺寸图纸

