轴承专区
Bearings Center
71872 ACM/P5DB轴承-SKF 71872 ACM/P5DB轴承尺寸、图纸、价格
SKF 71872 ACM/P5DB轴承
| 产品名称: | 71872 ACM/P5DB轴承 | 品牌: | SKF |
|---|---|---|---|
| 类型: | SKF轴承 > 滚动轴承 > 角接触球轴承 | ||
| 描述: | 71872 ACM/P5DB轴承是【SKF轴承 > 滚动轴承 > 角接触球轴承】的型号,主要用在铁路车辆、空气压缩机、桥式起重机、大型农业机械、造纸机械、耕耘机、冶炼厂、医药设备、平地机、吹氧装置等各大领域 | ||
电话/微信:138-8949-5179
SKF 71872 ACM/P5DB轴承详细信息
71872 ACM/P5DB轴承是【SKF轴承 > 滚动轴承 > 角接触球轴承】的型号,主要用在铁路车辆、空气压缩机、桥式起重机、大型农业机械、造纸机械、耕耘机、冶炼厂、医药设备、平地机、吹氧装置等各大领域。
SKF 71872 ACM/P5DB轴承详细参数
| 角接触球轴承, 单列,用于配对安装, 背对背配对 | |||||||||||
| 主要数据尺寸 | 基本负荷额定值 | 疲劳负荷限值 | 额定速度 | 体积 | 型号 | 轴承配对 | |||||
| 动态 | 静态 | 参照速度 | 限制速度 | ||||||||
| d | D | 2B | C | C0 | Pu | ||||||
| mm | kN | kN | r/min | kg | - | - | |||||
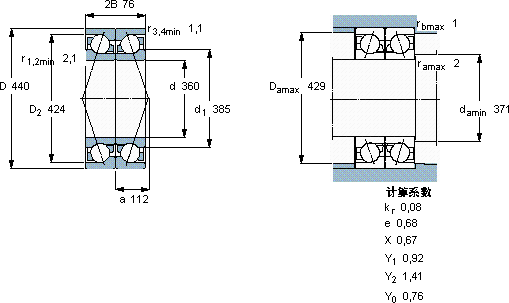
| 360 | 440 | 76 | 377 | 850 | 18 | 1200 | 1500 | 24,0 | 71872 ACM/P5DB | DB | |
SKF 71872 ACM/P5DB轴承尺寸图纸

