轴承专区
Bearings Center
718/530 AMB轴承-SKF 718/530 AMB轴承尺寸、图纸、价格
SKF 718/530 AMB轴承
| 产品名称: | 718/530 AMB轴承 | 品牌: | SKF |
|---|---|---|---|
| 类型: | SKF轴承 > 滚动轴承 > 角接触球轴承 | ||
| 描述: | 718/530 AMB轴承是【SKF轴承 > 滚动轴承 > 角接触球轴承】的型号,主要用在农业机械、小型汽车前轮、提升机、差速器、木工机械、汽车转向销、钢铁厂、玩具、掘进机、机场加油机等各大领域 | ||
电话/微信:138-8949-5179
SKF 718/530 AMB轴承详细信息
718/530 AMB轴承是【SKF轴承 > 滚动轴承 > 角接触球轴承】的型号,主要用在农业机械、小型汽车前轮、提升机、差速器、木工机械、汽车转向销、钢铁厂、玩具、掘进机、机场加油机等各大领域。
SKF 718/530 AMB轴承详细参数
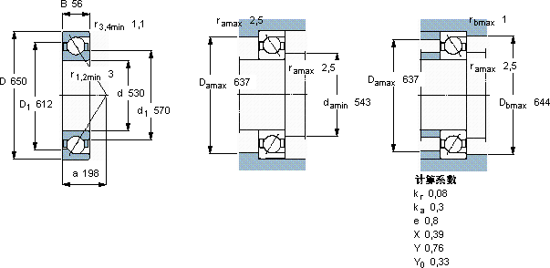
| 角接触球轴承, 单列 | |||||||||||
| 主要数据尺寸 | 尺寸 [英寸] | 疲劳负荷限值 | 额定速度 | 体积 | 型号 | ||||||
| 动态 | 静态 | 参照速度 | 限制速度 | ||||||||
| d | D | B | C | C0 | Pu | ||||||
| mm | kN | kN | r/min | kg | - | ||||||
| 530 | 650 | 56 | 390 | 900 | 15,6 | 950 | 1000 | 39,5 | 718/530 AMB | ||
SKF 718/530 AMB轴承尺寸图纸

