轴承专区
Bearings Center
7036 BGM轴承-SKF 7036 BGM轴承尺寸、图纸、价格
SKF 7036 BGM轴承
| 产品名称: | 7036 BGM轴承 | 品牌: | SKF |
|---|---|---|---|
| 类型: | SKF轴承 > 滚动轴承 > 角接触球轴承 | ||
| 描述: | 7036 BGM轴承是【SKF轴承 > 滚动轴承 > 角接触球轴承】的型号,主要用在飞机喷气式发动机、空气压缩机、变速器、大型农业机械、造纸机械、耕耘机、燃机、玩具、平地机、钢包回转台等各大领域 | ||
电话/微信:138-8949-5179
SKF 7036 BGM轴承详细信息
7036 BGM轴承是【SKF轴承 > 滚动轴承 > 角接触球轴承】的型号,主要用在飞机喷气式发动机、空气压缩机、变速器、大型农业机械、造纸机械、耕耘机、燃机、玩具、平地机、钢包回转台等各大领域。
SKF 7036 BGM轴承详细参数
| 角接触球轴承, 单列 | |||||||||||
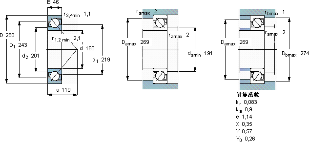
| 主要数据尺寸 | 尺寸 [英寸] | 疲劳负荷限值 | 额定速度 | 体积 | 型号 | ||||||
| 动态 | 静态 | 参照速度 | 限制速度 | ||||||||
| d | D | B | C | C0 | Pu | ||||||
| mm | kN | kN | r/min | kg | - | ||||||
| 180 | 280 | 46 | 195 | 240 | 6,7 | 2400 | 2600 | 10,0 | 7036 BGM | ||
SKF 7036 BGM轴承尺寸图纸

