轴承专区
Bearings Center
7024 BGM轴承-SKF 7024 BGM轴承尺寸、图纸、价格
SKF 7024 BGM轴承
| 产品名称: | 7024 BGM轴承 | 品牌: | SKF |
|---|---|---|---|
| 类型: | SKF轴承 > 滚动轴承 > 角接触球轴承 | ||
| 描述: | 7024 BGM轴承是【SKF轴承 > 滚动轴承 > 角接触球轴承】的型号,主要用在电气装置部件、空气压缩机、挖土机履带轮、大型农业机械、振动筛、耕耘机、船舶用螺旋桨轴、医药设备、地基处理机械、风力发电设备等各大领域 | ||
电话/微信:138-8949-5179
SKF 7024 BGM轴承详细信息
7024 BGM轴承是【SKF轴承 > 滚动轴承 > 角接触球轴承】的型号,主要用在电气装置部件、空气压缩机、挖土机履带轮、大型农业机械、振动筛、耕耘机、船舶用螺旋桨轴、医药设备、地基处理机械、风力发电设备等各大领域。
SKF 7024 BGM轴承详细参数
| 角接触球轴承, 单列 | |||||||||||
| 主要数据尺寸 | 尺寸 [英寸] | 疲劳负荷限值 | 额定速度 | 体积 | 型号 | ||||||
| 动态 | 静态 | 参照速度 | 限制速度 | ||||||||
| d | D | B | C | C0 | Pu | ||||||
| mm | kN | kN | r/min | kg | - | ||||||
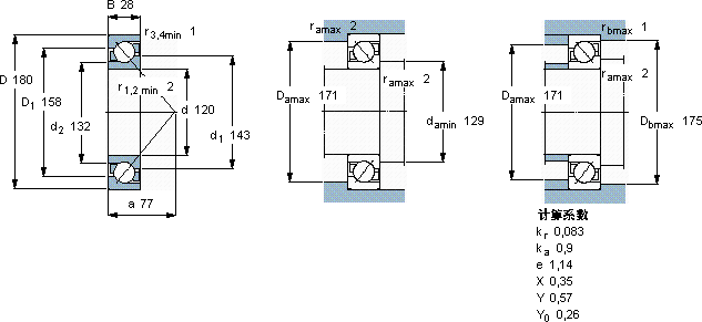
| 120 | 180 | 28 | 87,1 | 93 | 3,2 | 3800 | 4000 | 2,40 | 7024 BGM | ||
SKF 7024 BGM轴承尺寸图纸

